|
|
This chapter describes how to connect your Cisco DistributedDirector 4700-M to networks and external devices, and contains the following sections:
When viewed from the rear, the power cable and on/off switch appear on the right side of the Director chassis. The system console port, auxiliary port, and network processor module ports appear to the left of the power cable and switch. (See Figure 4-1.)
The chassis contains slots for three network processor modules. (See Figure 4-1.) These slots correspond to the three slot numbers printed on the front panel of the chassis. Slot numbers represent the order in which the system scans the network processor modules. Network processor module location is not slot dependent. Any module can be moved to any other available slot location. For optimum heat dissipation, use the center slot position, slot 2, for the FDDI module if one is present.
For information on how to remove and replace network processor modules, see the section "Replacing Network Processor Modules" in the chapter "Configuring the Director Chassis."

If the Director is configured with fewer than three network processor modules, you must place a slot filler panel in the open slot to ensure proper airflow. Figure 4-2 shows a slot filler panel.

This section describes the console and auxiliary ports found on the Director.
![]() | Warning The ports labeled "Ethernet," "10BaseT," "Token Ring," "Console," and "AUX" are safety extra-low voltage (SELV) circuits. SELV circuits should only be connected to other SELV circuits. Because the BRI circuits are treated like telephone-network voltage, avoid connecting the SELV circuit to the telephone network voltage (TNV) circuits. (To see translated versions of this warning, refer to the appendix "Translated Safety Warnings.") |
Each Director includes an asynchronous Director console port (female DB-25 connector) wired as a data communications equipment (DCE) device. The default parameters for this port follow:
Table B-1 in the appendix "Cabling Specifications" lists the pinouts for the Cisco 4700-M console port.
A male DB-25 connector auxiliary port (labeled AUX on the chassis rear) is included on all Director units. The auxiliary port is a shared-memory data terminal equipment (DTE) port to which you can attach an EIA/TIA-232 connector from a channel service unit/data service unit (CSU/DSU), a modem, or protocol analyzer for network access. Table B-2 in the appendix "Cabling Specifications lists the pinouts for Cisco 4700-M asynchronous serial auxiliary port.
This section describes the considerations for each type of network connection available for the Director.
This section describes the dual-port Ethernet network processor module.
![]() | Warning The ports labeled "Ethernet," "10BaseT," "Token Ring," "Console," and "AUX" are safety extra-low voltage (SELV) circuits. SELV circuits should only be connected to other SELV circuits. |
The dual-port Ethernet network processor module has ports for two network connections. (See Figure 4-3.) The top port is labeled PORT-1, and the lower port is labeled PORT-0. On the dual-port Ethernet network processor module, either the Ethernet connector or the 10BaseT connector can be used, but not both. For example, Ethernet port 0 could be attached to either a 10BaseT connector or to an AUI connector, and similarly, Ethernet port 1 could be attached to either a 10BaseT connector or to an AUI connector.

The dual-port Token Ring network processor module has two standard 9-pin connectors. (See Figure 4-4.) The single-port Token Ring network processor module has one standard 9-pin connector. (See Figure 4-5.)
![]() | Warning The ports labeled "Ethernet," "10BaseT," "Token Ring," "Console," and "AUX" are safety extra-low voltage (SELV) circuits. SELV circuits should only be connected to other SELV circuits. Because the BRI circuits are treated like telephone-network voltage, avoid connecting the SELV circuit to the telephone network voltage (TNV) circuits. (To see translated versions of this warning, refer to the appendix "Translated Safety Warnings.") |


Use a standard 9-pin Token Ring lobe cable to connect the Director directly to a media attachment unit (MAU). (See Figure 4-6.)

Multimode FDDI network processor modules provide a dual-attachment station (DAS). The multimode FDDI network processor module consists of two cards, each with a multimode transceiver, with one card fitting on top of the other. The bottom card is the SAS and contains the physical sublayer (PHY)-A port. If the DAS option is included, the PHY-B port is located on the module's top card.
The distance limitations for single-mode and multimode FDDI stations are shown in Table 4-1. If the distance between two connected stations is greater than the maximum distance shown, significant signal loss can result. The single-mode transmitter and the multimode transceiver each provide 11 decibels of optical power.
| Transceiver Type | Maximum Distance Between Stations |
|---|---|
| Multimode | Up to 1.2 miles (1.9 kilometers) |
Older versions of the single-mode network processor module use simplex FC-type connectors (see Figure 4-7 and Figure 4-11) for the transmit and receive ports. Newer versions of the single-mode network processor module use simplex SC-type connectors. (See Figure 4-8 and Figure 4-12.) The connector accepts standard 8.7 to 10/125-micron single-mode fiber-optic cable. The single-mode interface supports connections at distances up to six miles (10 kilometers).


Newer versions of the single-mode network processor module are shipped with an FC-to-SC adapter that allows the newer version of the single-mode network processor module to be used with existing cables installed for the earlier version of the module. (See Figure 4-9 and Figure 4-10.)




The single-mode transmitter uses a small laser to transmit the light signal to the ring. Keep the transmit port covered whenever a cable is not connected to it. Although multimode transceivers typically use LEDs (not lasers) for transmission, keep open ports covered and avoid staring into open ports or apertures.
![]() | Warning Invisible laser radiation may be emitted from the aperture ports of the single-mode FDDI products when no fiber cable is connected. Avoid exposure and do not stare into open apertures. This product meets the Class 1 Laser Emission Requirement from Center for Devices and Radiological Health (CDRH) FDDI. (To see translated versions of this warning, refer to the appendix "Translated Safety Warnings.") |
The multimode network processor module connectors are FDDI-standard PHY connectors. The media interface connector (MIC) connects to FDDI standard 62.5/125-micron multimode fiber-optic cable.
Figure 4-13 shows the MIC typically used for network and chassis connections in multimode FDDI applications.

A dual-attachment module configuration requires two connections: one to the primary ring and one to the secondary ring. The port labeled PHY-A is the bottom port (see Figure 4-11 and Figure 4-14), and port labeled PHY-B is the top port on both the multimode and single-mode modules. To connect to another dual-attachment station, connect PHY-A on the module to PHY-B on the other DAS and PHY-B on the module to PHY-A on the other DAS.
The standard connection scheme for a dual-attachment station dictates that the primary ring signal enters the Director on the PHY-A receive port and returns to the primary ring from the PHY-B transmit port. (See Figure 4-15.) The secondary ring signal comes into the Director on the PHY-B receive port and returns to the primary ring from the PHY-A transmit port. Failure to observe this relationship in making your network connections will prevent the FDDI interface from initializing.
The PHY-S port of the single-attachment module can be connected through a concentrator to a single-attachment ring or directly to another device. (See Figure 4-16.)


Both the dual-attachment and single-attachment FDDI modules have an optical bypass switch connector. An optical bypass switch is a passive optical device powered by the FDDI module. If a fault in the Director occurs, or if power is lost, the optical bypass switch is enabled, and the ring will be unaffected. The optical bypass switch is automatically enabled if power is lost. In addition, the system software can enable the optical bypass switch if a problem is detected or if the operator chooses to take the Director out of the ring.
To design an efficient optical data link, you must evaluate the power budget. The power budget is the amount of light available to overcome attenuation in the optical link and to exceed the minimum power that the receiver requires to operate within its specifications. Proper operation of an optical data link depends on modulated light reaching the receiver with enough power to be correctly demodulated.
Attenuation, caused by the passive media components (cables, cable splices, and connectors), is common to both multimode and single-mode transmission.
The following variables reduce the power of the signal (light) transmitted to the receiver in multimode transmission:
Attenuation is significantly lower for optical fiber than for other media. For multimode transmission, chromatic and modal dispersion reduce the available power of the system by the combined dispersion penalty, measured in decibels (dB). The power lost over the data link is the sum of the component, dispersion, and modal losses.
Table 4-2 lists the factors of attenuation and dispersion limit for typical fiber-optic cable.
| Limits | Single-Mode | Multimode |
|---|---|---|
| Attenuation | 0.5 dB | 1.0 dB/km |
| Dispersion | No limit | 500 MHz/km1 |
The LED used for a multimode transmission light source creates multiple propagation paths of light, each with a different path length and time requirement to cross the optical fiber, causing signal dispersion (smear). Higher order mode loss results from light from the LED entering the fiber and being radiated into the fiber cladding. A worst-case estimate of power margin (M) for multimode transmissions assumes minimum transmitter power (T), maximum link loss (LL), and minimum receiver sensitivity (PR). The worst-case analysis provides a margin of error, although not all of the parts of an actual system will operate at the worst-case levels.
The power budget (PB) is the maximum possible amount of power transmitted. The following equation lists the calculation of the power budget:
The power margin calculation is derived from the power budget and subtracts the link loss, as follows:
If the power margin is positive, as a rule, the link will work.
Table 4-3 lists the factors that contribute to link loss and the estimate of the link loss value attributable to those factors.
After calculating the power budget minus the data link loss, the result should be greater than zero. Results less than zero may have insufficient power to operate the receiver.
| Link Loss Factor | Estimate of Link Loss Value |
|---|---|
| Higher order mode losses | 0.5 dB |
| Clock recovery module | 1 dB |
| Modal and chromatic dispersion | Dependent on fiber and wavelength used |
| Connector | 0.5 dB |
| Splice | 0.5 dB |
| Fiber attenuation | 1 dB/km |
The following is an example multimode power budget, based on the following variables, and calculated to ensure sufficient power for transmission:
Estimate the power budget as follows:
The value of 2.5 dB indicates that this link would have sufficient power for transmission.
Following is an example with the same parameters as the previous example, but with a multimode link distance of 4 km:
The value of 1.5 dB indicates that this link would have sufficient power for transmission. But, due to the dispersion limit on the link (4 km x 155.52 MHz > 500 MHz/km), this link would not work with multimode fiber. In this case, single-mode fiber would be the better choice.
The single-mode signal source is an injection laser diode. Single-mode transmission is useful for longer distances, because there is a single transmission path within the fiber and smear does not occur. In addition, chromatic dispersion is also reduced because laser light is essentially monochromatic.
The maximum overload specification on the single-mode receiver is -14 decibels (dB). The single-mode receiver can be overloaded when using short lengths of fiber because the transmitter can transmit up to -8 dB, while the receiver could be overloaded at -14 dB, but no damage to the receiver will result. To prevent overloading the receiver connecting short fiber links, insert a 5 to 10 dB attenuator on the link between any single-mode SONET transmitter and the receiver.
Follow the directions in this section to wire a Director with a DC-input power supply.
![]() | Warning Before performing any of the following procedures, ensure that power is removed from the DC circuit. To ensure that all power is OFF, locate the circuit breaker on the panel board that services the DC circuit, switch the circuit breaker to the OFF position, and tape the switch handle of the circuit breaker in the OFF position. (To see translated versions of this warning, refer to the appendix "Translated Safety Warnings.") |
![]() | Warning When stranded wiring is required, use approved wiring terminations, such as closed-loop or spade-type with upturned lugs. These terminations should be the appropriate size for the wires and should clamp both the insulation and conductor. (To see translated versions of this warning, refer to the appendix "Translated Safety Warnings.") |
![]() | Warning This unit is intended for installation in restricted access areas. (To see translated versions of this warning, refer to the appendix "Translated Safety Warnings.") |
![]() | Warning Only trained and qualified personnel should be allowed to install or replace this equipment. (To see translated versions of this warning, refer to the appendix "Translated Safety Warnings.") |
For identification purposes, the following figures show the rear view of a Director with an AC power supply followed by a Director with a DC-input power supply. (See Figure 4-17 and Figure 4-18.)


![]() | Warning Read the installation instructions before you connect the system to its power source. (To see translated versions of this warning, refer to the appendix "Translated Safety Warnings.") |
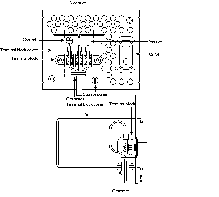
Take the following steps to wire the DC-input power supply terminal block:
Step 1 Feed the wires through the rubber grommet in the terminal block cover.
Step 2 Attach the appropriate lugs at the wire end of the power supply cord.
![]() | Warning When installing the unit, the ground connection must always be made first and disconnected last. (To see translated versions of this warning, refer to the appendix "Translated Safety Warnings.") |
Step 3 Wire the DC-input power supply to the terminal block. (See Figure 4-19.) The proper wiring sequence is ground to ground, positive to positive, and negative to negative.
![]() | Caution Do not overtorque the terminal block captive thumbscrew or terminal block contact screws. The recommended torque is 8.2 ± 0.4 inch-lb. |
![]() | Warning The illustration shows the DC power supply terminal block. Wire the DC power supply using the appropriate lugs at the wiring end, as illustrated. The proper wiring sequence is ground to ground, positive to positive (line to L), and negative to negative (neutral to N). Note that the ground wire should always be connected first and disconnected last. (To see translated versions of this warning, refer to the appendix "Translated Safety Warnings.") |
![]() | Warning After wiring the DC-input power supply, replace the terminal block cover and screw to ensure user safety. (To see translated versions of this warning, refer to the appendix "Translated Safety Warnings.") |
![]() | Warning After wiring the DC power supply, remove the tape from the circuit breaker switch handle and reinstate power by moving the handle of the circuit breaker to the ON position. (To see translated versions of this warning, refer to the appendix "Translated Safety Warnings.") |
Step 4 Remove the tape from the circuit breaker switch handle and restore power by moving the circuit breaker handle to the ON position.
![]() | Caution To avoid damaging the power supply when returning the chassis to the manufacturer (for example, if a failure occurs), remove the power supply terminal block cover so that it will fit in the shipping container. |

![]() | Caution Never operate the Director unless the chassis is completely closed to ensure adequate cooling. |
Take the following steps to power up the Director:
Step 1 If you have an AC-powered system, plug the system power cord into a 3-terminal, single-phase power source that provides power within the acceptable range (100-240 VAC, 50-60 Hz, 3.0-1.5A).
Step 2 If you have a DC-powered system, refer to the earlier section "Connecting Directors with a DC-Input Power Supply" to connect the input power supply.
![]() | Warning This product relies on the building's installation for short-circuit (overcurrent) protection. Ensure that a fuse or circuit breaker no larger than 120 VAC, 15A U.S. (240 VAC, 10A international) is used on the phase conductors (all current-carrying conductors). (To see translated versions of this warning, refer to the appendix "Translated Safety Warnings.") |
Step 3 Turn ON the system power switch. The LED labeled POWER on the front panel should go on.
Step 4 Verify that the OK LED on the right side of the front panel goes ON after a few seconds delay.
For more information on configuring the Director software, refer to the chapter "Configuring the Director Software Interfaces."
|
|