This chapter describes the tasks you must perform to install the router, and includes the following sections:
Installation requires some tools and equipment that are not included as standard equipment with the router. Following are the tools and equipment required to install the router, which are not included:
Note For cable ordering information, see the section "Obtaining Service and Support" in the "Overview of the Router" chapter.
- Ethernet 10BaseT hub or PC with a network interface card for connection to the Ethernet AUI (LAN) port.
- Token Ring Media Attachment Unit (MAU) for connection to the Token Ring port.
- CSU/DSU or other DCE device for connection to the synchronous serial interface.
- Console terminal (an ASCII terminal or a PC running terminal emulation software) configured for 9600 baud, 8 data bits, no parity, and 2 stop bits. A terminal is required unless you are using the AutoInstall procedure. See the section "Connecting the Console Terminal and Modem" later in this chapter for instructions on connecting a console terminal.
- Modems for connection to the asynchronous serial ports.
Setting Up the Chassis
You can set the chassis on a desktop, install it in a rack, or mount it on a wall or other flat surface. Use the procedure in this section that best meets the needs of your network. The sections are as follows:
Setting the Chassis on a Desktop
Before setting the chassis on a desktop, shelf, or other flat, secure surface, perform the following steps to install the rubber feet:
Step 1 Locate the rubber feet on the black adhesive strip that shipped with the chassis. (See Figure 3-1.)
Figure 3-1 : Identifying the Rubber Feet
Step 2 Place the chassis upside down on a smooth, flat surface.
Step 3 Peel off the rubber feet from the black adhesive strip and place them adhesive-side down onto the five round, recessed areas on the bottom of the chassis, as shown in Figure 3-2.
Figure 3-2 : Installing the Rubber Feet
Step 4 Place the router right-side up on a flat, smooth, secure surface.
Caution Do not place anything on top of the router that weighs more than 10 pounds (4.5 kg). Excessive weight on top could damage the chassis.
Rack-Mounting the Chassis
This section describes the procedures for rack-mounting the chassis. The chassis comes with brackets for use with a 19-inch rack or, if specified in your order, optional larger brackets for use with a 24-inch rack. The brackets are shown in Figure 3-3.
Figure 3-3 : Identifying the Brackets
Attaching the Brackets
To install the chassis in a rack, attach the brackets in one of the following ways:
Note The illustrations that follow show how to connect a bracket to one side of the chassis. The second bracket connects to the opposite side of the chassis.
Figure 3-4 : Bracket Installation---Front Panel Forward
Figure 3-5 : Bracket Installation---Rear Panel Forward
Figure 3-6 : Telco Bracket Installation---Rear Panel Forward
Installing in a Rack
After the brackets are secured to the chassis, you can rack-mount it. Using the screws you provide, attach the chassis to the rack as shown in Figure 3-7.
Figure 3-7 : Attaching the Chassis to a Rack---Rear Panel Forward
Wall-Mounting the Chassis
Use the smaller brackets (for use with a 19-inch rack) to wall-mount the chassis. The smaller brackets provide the most stable position for the chassis.
Take the following steps to wall-mount the chassis:
Step 1 Attach the brackets as shown in Figure 3-8.
Figure 3-8 : Attaching the Wall-Mount Brackets
Step 2 Attach the chassis assembly to the wall as shown in Figure 3-9, using screws and anchors that you provide. We recommend the following:
- For the best support of the chassis and cables, attach the brackets so that the screws align with a vertical wall stud. (See Figure 3-9.) This position will prevent the chassis from pulling away from the wall when cables are attached.
- For the best ventilation of the chassis, mount the chassis with the power supply and fan at the top. Make sure there is clearance between the router and the wall.
Figure 3-9 : Wall-Mounting the Chassis
Connecting the DC Power Supply
The multiport serial router has an optional direct current (DC) power supply. This section describes the DC power supply specifications and wiring.
DC Power Specifications
The DC power supply is intended for use in DC operating environments. Table 3-1 lists the power supply specifications.
Table 3-1 : DC Power Supply Specifications
| Power
|
40W, --40 to --72 VDC
|
| Wire gauge for power connections
|
14 AWG1
|
1 AWG = American wire gauge.
Wiring the DC Power Supply
If you ordered a multiport serial router with a DC power supply, follow the directions in this section for proper wiring.
Warning Only trained and qualified personnel should be allowed to install or replace this equipment. (To see translated versions of this warning, refer to the Regulatory Compliance and Safety Information document that accompanied the router.)
Warning Before performing any of the following procedures, ensure that power is removed from the DC circuit. To ensure that all power is off, locate the circuit breaker on the panel board that services the DC circuit, switch the circuit breaker to the off position, and tape the switch handle of the circuit breaker in the off position. (To see translated versions of this warning, refer to the Regulatory Compliance and Safety Information document that accompanied the router.)
Warning This unit is intended for installation in restricted access areas. A restricted access area is where access can only be gained by service personnel through the use of a special tool, lock and key, or other means of security, and is controlled by the authority responsible for the location. (To see translated versions of this warning, refer to the Regulatory Compliance and Safety Information document that accompanied the router.)
Note This product is intended for installation in areas with restricted access and is approved for use with copper conductors only. The installation must comply with all applicable codes.
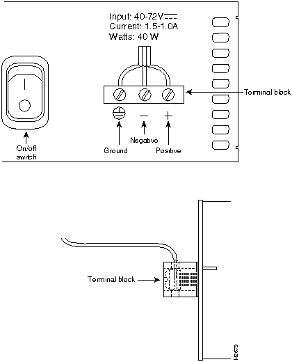
Figure 3-10 shows the DC power supply terminal block. Take the following steps to wire the terminal block:
Step 1 Attach the appropriate lugs at the wire end of the power supply cord.
Step 2 Wire the DC power supply to the terminal block as shown in Figure 3-10.
Warning The illustration shows the DC power supply terminal block. Wire the DC power supply using the appropriate lugs at the wiring end, as illustrated. The proper wiring sequence is ground to ground, positive to positive (line to L), and negative to negative (neutral to N). Note that the ground wire should always be connected first and disconnected last. (To see translated versions of this warning, refer to the Regulatory Compliance and Safety Information document that accompanied the router.)
Warning When stranded wiring is required, use approved wiring terminations, such as closed-loop or spade-type with upturned lugs. These terminations should be the appropriate size for the wires and should clamp both the insulation and conductor. (To see translated versions of this warning, refer to the Regulatory Compliance and Safety Information document that accompanied the router.)
Caution Do not overtorque the terminal block captive thumbscrew or terminal block contact screws. The recommended torque is 8.2 ± 0.4 inch-lb.
Warning After wiring the DC power supply, remove the tape from the circuit breaker switch handle and reinstate power by moving the handle of the circuit breaker to the on position. (To see translated versions of this warning, refer to the Regulatory Compliance and Safety Information document that accompanied the router.)
Figure 3-10 : DC Power Supply Connections
For additional information on power supplies refer to the section "Troubleshooting the Power and Cooling Systems" in the appendix "Troubleshooting the Router."
Connecting to a Network
This section explains how to connect the router to your LAN and a WAN.
The cables required to connect the router to a network are not provided. To order a cable, see the section "Obtaining Service and Support" in the "Overview of the Router" chapter. Or see the appendix "Cable Specifications" for cable and port pinouts.
Warning Do not work on the system or connect or disconnect cables during periods of lightning activity. (To see translated versions of this warning, refer to the Regulatory Compliance and Safety Information document that accompanied the router.)
Take the following steps to connect the router to your networks:
Note For Ethernet equipped routers, start with Step 1, for Token Ring equipped routers start with Step 2.
Step 1 Connect the Ethernet AUI port (DB-15) to a transceiver using an Ethernet transition cable and transceiver, as shown in Figure 3-11. Or connect a transceiver directly to the Ethernet AUI port.
Figure 3-11 : Connecting Ethernet Transition Cables
Step 2 Connect the Token Ring port (DB-9) to a MAU. (See Figure 3-12.) To ensure agency compliance with electromagnetic interference (EMI), make sure the cable is shielded.
- You can also connect the Token Ring port (RJ-45) to a Token Ring hub. If the transmission rate of your Token Ring network is 4 Mbps, use a UTP cable to connect the Token Ring port (RJ-45) to a Token Ring hub. If the transmission rate of your Token Ring network is 16 Mbps, use a STP cable to connect the Token Ring port (RJ-45) to a Token Ring hub.
Figure 3-12 : Connecting the Token Ring Cable
-
Step 3 If you will be using AutoInstall to configure the router, connect the synchronous serial port (DB-60) to a CSU/DSU or other DCE device, as shown in Figure 3-13. If you do not plan to use AutoInstall (or you are not sure what AutoInstall is) do not connect the WAN cable until after you have configured the router. If a WAN cable is connected when you power ON the router for the first time, it will attempt to run AutoInstall to download a configuration file from a TFTP server. It can take several minutes for the router to determine that the necessary files are not in place for AutoInstall to begin. For more information about AutoInstall, refer to the chapter "Configuring the Router."
The synchronous serial port supports the following signaling standards: EIA/TIA-232, EIA/TIA-449, V.35, X.21, and EIA-530.
Figure 3-13 : Connecting Synchronous Serial Cables
Step 4 Connect one end of each asynchronous/synchronous cable to the asynchronous/synchronous ports (labeled Serial n (A/S)), and then connect the other end to a CSU/DSU or asynchronous device. (See Figure 3-14.)
- For asynchronous/synchronous port pinouts, refer to the appendix "Cable Specifications."
Figure 3-14 : Connecting Asynchronous Serial Cables
Step 5 Connect the ISDN BRI port (RJ-45) to an NT1 device. (See Figure 3-15)
Figure 3-15 : Connecting the ISDN BRI Port to an NT1 Device
Connecting the Console Terminal and Modem
Your router includes an asynchronous serial console and an auxiliary port. The console and auxiliary ports provide access to the router either locally (with a console terminal) or remotely (with a modem).
Connecting to the Console Port
Take the following steps to connect a terminal (an ASCII terminal or a PC running terminal emulation software) to the console port on the router:
Step 1 Connect the terminal using the thin, flat, RJ-45-to-RJ-45 roll-over cable (looks like a telephone cable) and an RJ-45-to-DB-9 or RJ-45-to-DB-25 adapter (labeled "TERMINAL") included with the router. (See Figure 3-16.)
Step 2 Configure your terminal or PC terminal emulation software for 9600 baud, 8 data bits, no parity, and 2 stop bits.
Figure 3-16 : Connecting the Console Terminal to the Console Port
Connecting a Modem to the Auxiliary Port
Take the following steps to connect a modem to the auxiliary port on the router:
Step 1 Connect a modem to the auxiliary port using the thin, flat, RJ-45-to-RJ-45 roll-over cable (looks like a telephone cable) with the RJ-45-to-DB-25 adapter (labeled "MODEM") included with the router. (See Figure 3-17.)
Step 2 Make sure that your modem and the auxiliary port on the router are configured for the same transmission speed (38400 baud is typical) and hardware flow control with Data Carrier Detect (DCD) and Data Terminal Ready (DTR) operations.
Warning This equipment is intended to be grounded. Ensure that the host is connected to earth ground during normal use. (To see translated versions of this warning, refer to the Regulatory Compliance and Safety Information document that accompanied the router.)
Figure 3-17 : Connecting a Modem to the Auxiliary Port
What to Do after Installing the Router Hardware
After you have installed the router, proceed to the chapter "Configuring the Router," for software configuration information.
Note Refer to the Cisco configuration guide and command reference publications for additional software configuration information. These publications are available on the documentation CD that came with the router or you can order printed copies. Refer to the section "Ordering Documentation."
Copyright 1988-1996 © Cisco Systems Inc.