Banner
HomeTOCPrevNextGlossSearchHelp

PDF

Table of Contents


Making Power Connections

IPX nodes are available in both AC-powered and DC-powered versions and may be provisioned with redundant power supplies.


Note A mechanical stop on a Model C Power Supply prevents it from being plugged into an early version cabinet designed for another power supply type. However, the Model C is shipped with all current cabinets.

The paragraphs that follow provide information on making power connections for both the AC and DC powered versions of the IPX 16/32 and IPX 8 nodes. Note that differences exist in the power supply designed before and after August, 1994.


AC Power Connections (IPX 16/32)

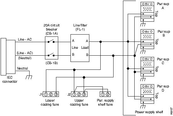
Figure 2-13 shows the location and connections to the AC Power Distribution Unit (PDU). An easily accessible socket outlet should be installed near the equipment. Installing a power outlet strip inside or near the cabinet for test equipment and modems is recommended.


Note A 20-amp circuit breaker is required for the ac power source to the IPX.

Figure 2-13 : AC Power Distribution Unit

h8086.gif

Figure 2-14 shows the wiring of the AC PDU. This PDU is installed in all cabinets configured for AC operation. To support power connections in a variety of countries, six different power cords are available for the IEC connector.

Figure 2-14 : 208/220/240 VAC Power Distribution (AC Cabinets after August 1994)

h8107.gif


DC Power Connections (IPX 16/32)

For a DC IPX 16/32 node, the positive, negative, and safety ground wires are connected from a -48 VDC power source to the IPX 16/32 power distribution unit. The -48 VDC source must be connected to earth and electrically isolated from the main AC source. Wiring must be attached to the IPX 16/32 with the correct size ring-lug for the wire gauge.

fig_5.gif Warning For CEPT installations, the DC source must comply with EN60950.

For power and ground connections to a an IPX 16/32, a minimum 6 AWG (or equivalent for CEPT E1 systems) conductor must be used. The conductors should have double-crimped spade or closed-loop connectors suitable for the size of conductor used. A 50-amp DC circuit breaker is recommended for the power source supplying -48 VDC power to an IPX 16/32. An easily accessible disconnect device should be included in the facility wiring.

fig_6.gif Warning Before connecting power, make sure that all IPX 16/32 power switches and the DC source breaker are turned off.

To connect the wiring to a DC IPX 16/32 unit, proceed as follows:

Step 1 At the back of the cabinet, locate the DC power distribution unit at the bottom of the cabinet.

Step 2 Locate the wiring terminal block for customer wiring, TB1, at the rear of the power distribution panel (Figure 2-15).

Figure 2-15 : DC System, Making DC Connections (IPX 16/32)

h8043.gif

Step 3 Run the DC power cable through the opening at the bottom right of the cabinet, and tie it to the cable tray. Using a cable with black, white, and green/yellow-colored wires for the DC power connection is recommended.

Step 4 Connect the IPX 16/32 end of the safety ground wire (green/yellow) to the dedicated grounding stud below TB1 (next to the ground symbol). Secure it with a lock washer and nut. Verify that the other end of this wire is attached to an approved facility safety (earth) ground.

fig_7.gif Warning The facility end of the chassis ground wire must be connected to safety (earth) ground and lugs must be on the wire ends connected to the terminal block.

Step 5 Connect the IPX 16/32 end of the black wire to the "+ RETURN" screw of the terminal block. Connect the other end of the black wire to the source "DC POWER RETURN" connection point (Figure 2-15).

fig_1.gif Warning The DC terminal block has three terminal screws (the middle one is not used). The two mounting screws (one at each end of the block) and the terminal screws are about the same size, so be careful not to confuse them.

Step 6 Connect the IPX 16/32 end of the white wire to the "--48V" screw of the terminal block and the other end to the source "--48 VDC" connection point (Figure 2-15).

Step 7 Check that all connections are tight.


Making Power Connections (IPX 8)


AC Power Connections (IPX 8)

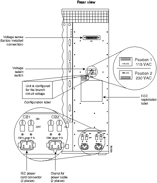
IPX 8 nodes with redundant AC power supplies are equipped with a power cord for each power supply. This provides extra protection but does require the installer and maintenance personnel to be sure that power is off on both supplies when working with the node's power. The AC-powered IPX 8 differs from the IPX 16/32 in that it has a voltage selector switch that is used to set the power supply input to match the branch voltage.

fig_2.gif Caution Before powering up the unit, verify the voltage selector switch is configured for the branch circuit voltage. When the voltage selector switch is set at 120V, the branch circuit voltage should be 90--125V.

fig_3.gif Caution Vergewissern sie sich, vordem anschliessen des gerätes, dass der spannungswahlschalter auf den zutreffenden wert eingestelltist.

fig_4.gif Caution Avant de mettre sous tension, s'assurer que le sélecteur de tension est réglé à la tension de la dérivation.

An AC Power Distribution Unit (AC PDU), located at the rear of the IPX 8 cabinet (Figure 2-16), protects the system and distributes the AC voltage. The voltage selector switch, two circuit breakers, two AC receptacles, and a voltage sense connector are mounted on the rear panel of the AC PDU.

The left-most AC connector supplies input power to power supply number 1 (the lower supply), which is always present. The right-most connector supplies power to power supply number 2 (the upper supply), which is the optional, redundant power supply. Clamp the power cord in the receptacle using the attached cable clamp.

Figure 2-16 : AC Power Distribution Unit (IPX 8)

h8108.gif


DC-Power Connections (IPX 8)

The DC power-type IPX8 cabinets are equipped with a DC Power Distribution Unit (DC PDU). The DC PDU has two 3-connector terminal blocks (Figure 2-17). Input power connections for power supply number 1 (lower) are made to the terminal block located immediately below CB1. Input power connections for power supply number 2 (upper) are made to the terminal block located immediately below CB2. The user supplies the input power cabling for DC-powered systems. The terminal blocks are protected against accidental contact by a cover plate that has a punch-out hole for wiring conduit (see Figure 2-18).


Note The DC-powered systems use a positive ground polarity for the input voltage supply. The proper input supply voltage is a --48 VDC, and the RETURN is + polarity.

Figure 2-17 : DC Power Distribution Unit (IPX 8)

h8109.gif

In Figure 2-17, carefully note the polarity of the terminal block connections. The middle terminal is used for chassis ground. Use a wire gauge suitable for carrying up to 10A for the power and power return leads (14 AWG or 2.5 sq. mm).


Note The source (facility) breaker should be rated at 20A or less.

Figure 2-18 : DC Input Wiring

h8110.gif

HomeTOCPrevNextGlossSearchHelp
-

Copyright 1988-1996 © Cisco Systems Inc.